Насос CRE10-02 N-FJ-A-E-HQQE 3x380-500 60 HZ, Grundfos
Артикул: 98390276
142 085 руб.
-
+
Купить
Купить в 1 клик
Срок поставки по запросу
Описание
CRE 10-2 N-FJ-A-E-HQQE
Вертикальный многоступенчатый центробежный насос с всасывающим и напорным патрубками, расположенными на одном уровне ("ин-лайн"), что обеспечивает возможность установки в горизонтальной однотрубной системе. Головная часть и основание насоса из чугуна - все остальные контактирующие с перекачиваемой жидкостью детали из нержавеющей стали. Картриджное уплотнение вала обеспечивает высокую надежность, безопасное использование и легкий доступ для обслуживания. Вращение передается через разъемную муфту. Соединение трубопровода выполняется с помощью комбинированных фланцев стандартов DIN-JIS.
Насос оснащен синхронным 3-фазным электродвигателем на постоянных магнитах с воздушным охлаждением. КПД электродвигателя классифицируется как IE5 в соответствии со стандартом IEC 60034-30-2. Электродвигатель включает частотный преобразователь и ПИ-регулятор в клеммной коробке. Это обеспечивает постоянное плавное регулирование частоты вращения электродвигателя, а также возможность корректировки рабочих характеристик в соответствии с заданными требованиями. Панель управления на клеммной коробке электродвигателя позволяет задавать установленное значение, а также выбирать режим работы насоса: «Мин.» или «Макс.» или «Останов». Индикатор Grundfos Eye на панели управления обеспечивает визуальную индикацию состояния насоса:
«Питание включено»: Электродвигатель работает (вращающиеся зелёные индикаторы) или не работает (постоянно включённые зелёные индикаторы).
«Предупреждение»: Электродвигатель по-прежнему работает (вращающиеся жёлтые индикаторы) или остановился (постоянно включённые жёлтые индикаторы).
«Аварийный сигнал»: Электродвигатель остановился (мигающие красные индикаторы).
Возможно подключение к насосу с помощью Grundfos Go Remote (принадлежность). Устройство дистанционного управления позволяет выполнять настройки и считывать ряд параметров, таких как «Фактическое значение», «Частота вращения», «Потребляемая мощность» и общее «Энергопотребление».
Клеммная коробка содержит несколько входов и выходов, что позволяет использовать электродвигатель в самых современных установках, требующих большого количества входов и выходов для настройки:
два выделенных цифровых входа;
три аналоговых входа, 0(4)-20 мА, 0-5 В, 0-10 В, 0,5 - 3,5 В; к одному из данных входов подключается датчик давления, установленный на заводе;
подача напряжения 5 В на потенциометр и датчик;
один аналоговый вход, 0-10 В, 0(4)-20 мА;
два настраиваемых цифровых входа или выходы с разомкнутым коллектором;
два входа Pt100/Pt1000;
LiqTec, вход датчика системы защиты от сухого хода;
вход и выход цифрового датчика Grundfos;
подача напряжения 24 В на датчики;
два выхода сигнального реле (беспотенциальные контакты);
соединение GENIbus;
интерфейс для CIM-модуля шины связи Grundfos.
Система управления:
Преобразователь частоты: Built-in
Датчик давления: Д
Жидкость:
Рабочая жидкость: Вода
Диапазон температур жидкости: -20 .. 120 °C
Температура перекачиваемой жидкости: 20 °C
Плотность: 998.2 кг/м³
Технические данные:
Скорость насоса, при которой расчитаны его характеристики: 3501 об/м
Номинальный расход: 12.1 м³/ч
Номинальный напор: 22.9 м
Расположение насоса при монтаже: ВЕРТИКАЛЬН.
Тип установки уплотнения: Одинарное
Код торцевого уплотнения вала: HQQE
Сертификаты на шильдике: CE, EAC,ACS
Допуски по рабочим хар-кам: ISO9906:2012 3B
Материалы:
Основание и головная часть: Чугун
Основание и головная часть, EN/DIN: EN 1561 EN-GJL-200
Основание и головная часть,AISI/ASTM: ASTM A48-25B
Рабочее колесо: Нержавеющая сталь
Рабочее колесо, EN/DIN: EN 1.4301
Рабочее колесо, AISI/ASTM: AISI 304
Подшипник: SIC
Монтаж:
Максимальная температура окружающей среды: 50 °C
Макс. рабочее давление: 16 бар
Макс. давление при заданной темп-ре: 16 бар / 120 °C
16 бар / -20 °C
Трубное присоединение: DIN / JIS
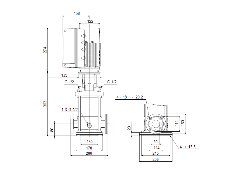
Размер всасывающего патрубка: DN 40
1 1/2 inch
Размер напорного патрубка: DN 40
Допустимое давление: PN 25
Размер входного фланца: 300 lb
Размер фланца электродвигателя: FT115
Данные электрооборудования:
Стандарт электродвигателя: IEC
Тип электродвигателя: 90SC
Класс энергоэфф-ти: IE5
Номинальная мощность - P2: 1.5 кВт
Энергия (Р2), необходимая для насоса: 1.5 кВт
Частота питающей сети: 50 Hz
Номинальное напряжение: 3 x 380-500 В
Номинальный ток: 2.90-2.40 A
Cos фи - характеристика мощности: 0.92-0.85
Номинальная скорость: 360-4000 об/м
Энергоэффективность: 88.9%
Эффективность электродвигателя при полной нагрузке: 88.9 %
Класс защиты (IEC 34-5): IP55
Класс изоляции (IEC 85): F
Другое:
Минимальный индекс эффективности, MEI ≥: 0.70
Нетто: 43 кг
Брутто вес: 47 кг
Объем поставки: 0.143 м³
Danish VVS No.: 385943502
Cтрана происхождения: RU
ТН ВЭД ЕАЭС Код: 8413707500
Вертикальный многоступенчатый центробежный насос с всасывающим и напорным патрубками, расположенными на одном уровне ("ин-лайн"), что обеспечивает возможность установки в горизонтальной однотрубной системе. Головная часть и основание насоса из чугуна - все остальные контактирующие с перекачиваемой жидкостью детали из нержавеющей стали. Картриджное уплотнение вала обеспечивает высокую надежность, безопасное использование и легкий доступ для обслуживания. Вращение передается через разъемную муфту. Соединение трубопровода выполняется с помощью комбинированных фланцев стандартов DIN-JIS.
Насос оснащен синхронным 3-фазным электродвигателем на постоянных магнитах с воздушным охлаждением. КПД электродвигателя классифицируется как IE5 в соответствии со стандартом IEC 60034-30-2. Электродвигатель включает частотный преобразователь и ПИ-регулятор в клеммной коробке. Это обеспечивает постоянное плавное регулирование частоты вращения электродвигателя, а также возможность корректировки рабочих характеристик в соответствии с заданными требованиями. Панель управления на клеммной коробке электродвигателя позволяет задавать установленное значение, а также выбирать режим работы насоса: «Мин.» или «Макс.» или «Останов». Индикатор Grundfos Eye на панели управления обеспечивает визуальную индикацию состояния насоса:
«Питание включено»: Электродвигатель работает (вращающиеся зелёные индикаторы) или не работает (постоянно включённые зелёные индикаторы).
«Предупреждение»: Электродвигатель по-прежнему работает (вращающиеся жёлтые индикаторы) или остановился (постоянно включённые жёлтые индикаторы).
«Аварийный сигнал»: Электродвигатель остановился (мигающие красные индикаторы).
Возможно подключение к насосу с помощью Grundfos Go Remote (принадлежность). Устройство дистанционного управления позволяет выполнять настройки и считывать ряд параметров, таких как «Фактическое значение», «Частота вращения», «Потребляемая мощность» и общее «Энергопотребление».
Клеммная коробка содержит несколько входов и выходов, что позволяет использовать электродвигатель в самых современных установках, требующих большого количества входов и выходов для настройки:
два выделенных цифровых входа;
три аналоговых входа, 0(4)-20 мА, 0-5 В, 0-10 В, 0,5 - 3,5 В; к одному из данных входов подключается датчик давления, установленный на заводе;
подача напряжения 5 В на потенциометр и датчик;
один аналоговый вход, 0-10 В, 0(4)-20 мА;
два настраиваемых цифровых входа или выходы с разомкнутым коллектором;
два входа Pt100/Pt1000;
LiqTec, вход датчика системы защиты от сухого хода;
вход и выход цифрового датчика Grundfos;
подача напряжения 24 В на датчики;
два выхода сигнального реле (беспотенциальные контакты);
соединение GENIbus;
интерфейс для CIM-модуля шины связи Grundfos.
Система управления:
Преобразователь частоты: Built-in
Датчик давления: Д
Жидкость:
Рабочая жидкость: Вода
Диапазон температур жидкости: -20 .. 120 °C
Температура перекачиваемой жидкости: 20 °C
Плотность: 998.2 кг/м³
Технические данные:
Скорость насоса, при которой расчитаны его характеристики: 3501 об/м
Номинальный расход: 12.1 м³/ч
Номинальный напор: 22.9 м
Расположение насоса при монтаже: ВЕРТИКАЛЬН.
Тип установки уплотнения: Одинарное
Код торцевого уплотнения вала: HQQE
Сертификаты на шильдике: CE, EAC,ACS
Допуски по рабочим хар-кам: ISO9906:2012 3B
Материалы:
Основание и головная часть: Чугун
Основание и головная часть, EN/DIN: EN 1561 EN-GJL-200
Основание и головная часть,AISI/ASTM: ASTM A48-25B
Рабочее колесо: Нержавеющая сталь
Рабочее колесо, EN/DIN: EN 1.4301
Рабочее колесо, AISI/ASTM: AISI 304
Подшипник: SIC
Монтаж:
Максимальная температура окружающей среды: 50 °C
Макс. рабочее давление: 16 бар
Макс. давление при заданной темп-ре: 16 бар / 120 °C
16 бар / -20 °C
Трубное присоединение: DIN / JIS
Размер всасывающего патрубка: DN 40
1 1/2 inch
Размер напорного патрубка: DN 40
Допустимое давление: PN 25
Размер входного фланца: 300 lb
Размер фланца электродвигателя: FT115
Данные электрооборудования:
Стандарт электродвигателя: IEC
Тип электродвигателя: 90SC
Класс энергоэфф-ти: IE5
Номинальная мощность - P2: 1.5 кВт
Энергия (Р2), необходимая для насоса: 1.5 кВт
Частота питающей сети: 50 Hz
Номинальное напряжение: 3 x 380-500 В
Номинальный ток: 2.90-2.40 A
Cos фи - характеристика мощности: 0.92-0.85
Номинальная скорость: 360-4000 об/м
Энергоэффективность: 88.9%
Эффективность электродвигателя при полной нагрузке: 88.9 %
Класс защиты (IEC 34-5): IP55
Класс изоляции (IEC 85): F
Другое:
Минимальный индекс эффективности, MEI ≥: 0.70
Нетто: 43 кг
Брутто вес: 47 кг
Объем поставки: 0.143 м³
Danish VVS No.: 385943502
Cтрана происхождения: RU
ТН ВЭД ЕАЭС Код: 8413707500
Характеристики
| Бренд: | Grundfos |
| Напряжение сети, В: | 380 / 500 |
| Номинальный расход, м3/ч: | 12.1 |
| Максимальный напор, м: | 29.5 |
| Номинальный напор, м: | 22.9 |
| Назначение: | промышленный |
| Серия: | CRE |
| Тип подключения: | фланец |
| Температура перекачиваемой жидкости, °C: | -20 ... +120 |
| Потребляемая мощность, Вт: | 1 500 |
| Давление максимальное, бар: | 16 |
| Расход максимальный, м3/ч: | 15.5 |
| Диаметр подключения, мм: | 40 мм (1 1/2") |
| Материал корпуса: | чугун |
| Материал рабочего колеса: | нержавеющая сталь |
| Частота вращения двигателя, об/мин: | 3500 |
| Качество жидкости: | чистая |

